2024-03-28
333344
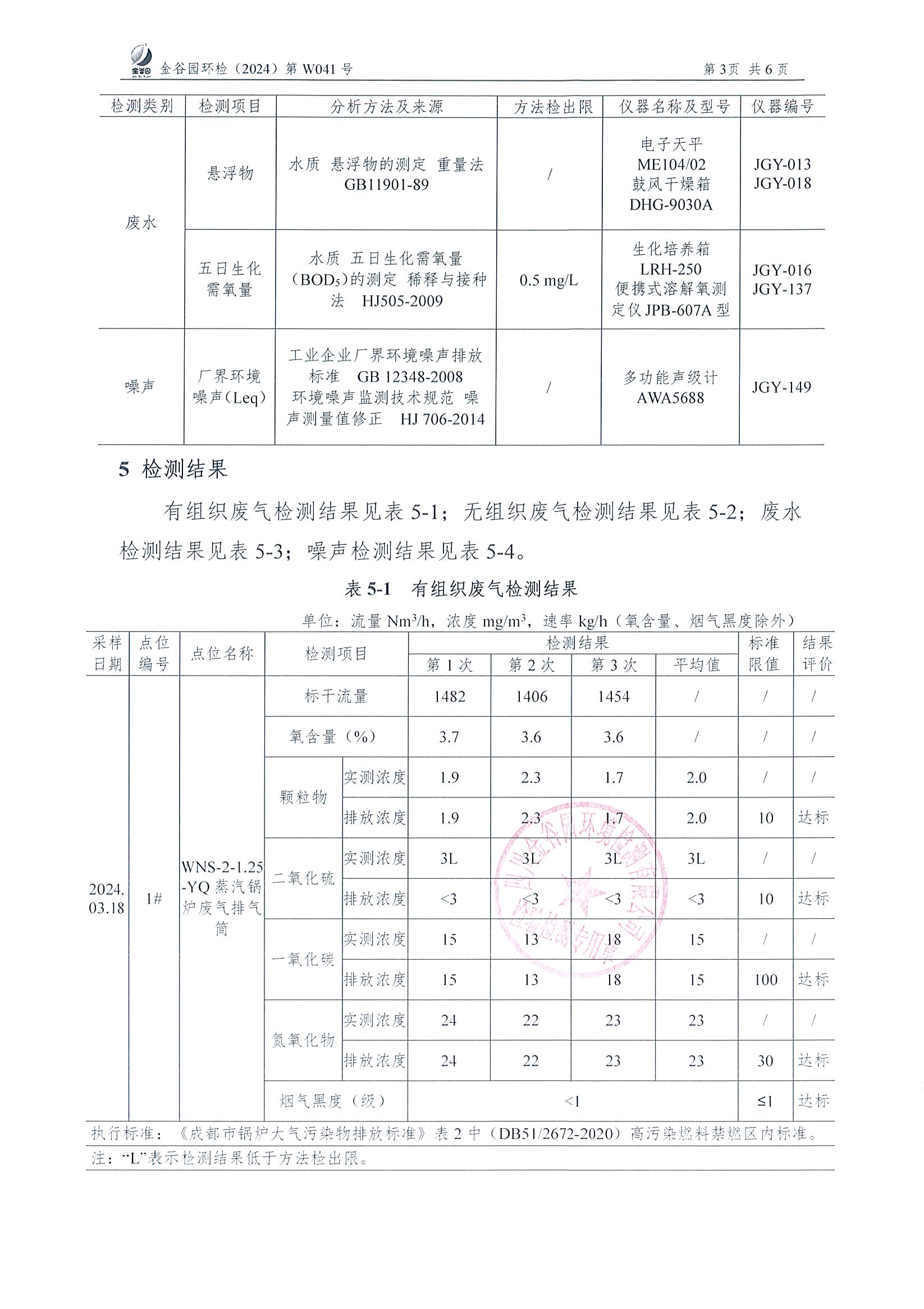
我司成都宏亿实业集团有限公司委托四川金谷园环境检测有限公司于2024年3月19日~24日对我司废气污染物进行年度监测。四川金谷园环境检测有限公司于2024年3月25日出具监测报告,现将监测报告公开。
2023年12月环境检测报告
成都宏亿实业集团有限公司10、11月份监测报告